

尺寸的表示方法以及显示
型钢的尺寸,截面各部分的尺寸用毫米表示,长度用米表示。 但是,通过交渡各方之间的协商,长度可以用毫米表示。 截面各部分的尺寸的显示,通常,在表3~表5以及表8~表12所示的各截面尺寸的边(A、B)、高度(H)及厚度(t、t1、t2)中,根据各自的截面形状显示相应的项目。 但是,表 12 中槽形钢厚度的显示只能显示 t1 和 t2 中的 t1。
标准尺寸
标准尺寸如下。 但是,标准尺寸是代表性尺寸,根据交渡方之间的协议,截面尺寸及长度也可以使用表中未记载的尺寸。 a)型钢的标准截面尺寸,根据表8~表18。 b) 根据表2,型钢的标准长度。
形状及尺寸的容许差
型钢的形状及尺寸的容许差如下。 但是,a) 和 b) 中未规定的允许差异是根据交还方之间的协议确定的。 a) 山形钢、I型钢、槽形钢、球平形钢及T型钢的形状及尺寸的容许差,根据表3。 长度的正侧容差可由交渡方协议。 b) H型钢的形状及尺寸的容许差,根据表4,CT型钢的形状及尺寸的容许差根据表5。 长度的正侧容差可由交渡方协议。 切断面的直角的容许差适用于订货者提出要求的情况。
质量
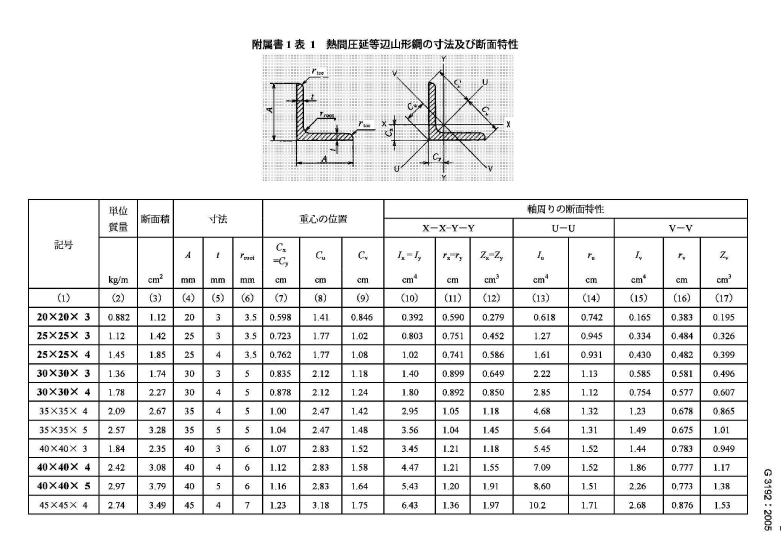
型钢的质量如下。 a) 型钢的质量通常基于计算质量,以千克表示。 b)型钢质量的计算方法,根据表6,此时的尺寸使用称称尺寸1)。 c) 根据表6计算出的型钢相对于标准截面尺寸的截面积及单位质量,根据表8~表18。 在这种情况下,表 8 到表 18,除了横截面面积和单位质量外,还显示了重心的位置、横截面二次力矩、横截面二次半径和横截面系数作为参考。 注1)在商业交易中使用的尺寸,通常简直就叫尺寸。 在此,为了避免与实测的尺寸混淆,使用了"称称尺寸"。
质量的容许差
有订货者的要求时,质量的容许差根据表7。 此时,容许差的计算方法,将计算质量与实测质量之差除以计算质量,用百分率表示。
外观
型钢的外观如下。 a) 型钢在使用上不应有有害的缺点。 b) 如果型钢表面有有害缺陷,制造商可通过研磨机或焊接去除或修复缺陷。 在这种情况下,条件如下。 1) 研磨机清洁 1.1) 清洁后型钢的截面尺寸必须在其允许的公差范围内。 但是,根据用途获得订购者的批准时,可以放宽该限制。 1.2) 型钢的装饰部分必须整齐地完成,与轧制原面的边界必须光滑。 2)焊接修补2.1)型钢的有害缺点,在焊接前必须通过切屑、研磨机等适当的方法完全除去后,进行焊接加厚修补。 2.2) 去除焊接修复前的缺陷的部分的深度必须小于称呼厚度的30%。 但是,关于型钢的边的端部,去除了缺陷的部分的深度必须在从端面到边的称称厚度以内(最大12mm)。 2.3) 焊接维修面积必须小于型钢总表面积的2%。 2.4) 焊接维修必须根据钢材的种类以适当的方法进行。 2.5) 型钢的焊接部位,边缘不应有底切及重叠。 余盛从轧制面至少为1.5mm以上,必须用切屑、研磨机等方法将其除去,平滑地完成到与轧制面相同的高度。 2.6) 进行热处理的型钢,焊接修补后,必须对包括修补部在内的型钢主体再次进行热处理。





